摘要:在钢结构桥梁中,钢桥面铺装设计和施工一直是需要普遍关注的问题,浇筑式沥青混凝土、改性沥青SMA混合料以及环氧沥青混凝土等钢桥面铺装材料在国内均有一定程度的应用。这些铺装材料在使用时需要大量的大型机械,大型机械进场和临时建筑的费用都较高,其成本在中小跨度的钢桥上造价占比较大,限制了中小型钢桥的发展。文中依托棉花渡大桥,在钢桥面使用弹性铺装地砖铺装中国沥青网sinoasphalt.com。其铺装层具有质量稳定可靠、防滑耐磨有弹性、破损易修复、施工简便、节约场地、安全环保等显著特点,有较好的经济价值和现实意义,可为其他类似工程提供借鉴。
关键词:钢桥面;桥面铺装;弹性铺装地砖;设计;施工
钢结构桥梁以其极富创造性的设计和超凡脱俗的造型在世界桥梁建造史中绽放着奇光异彩,钢桥面的铺装亦随着建设者的不懈努力和执著追求而呈现多种多样的技术。目前用作正交异性钢桥面铺装的材料主要包括浇筑式沥青混合料、改性沥青SMA混合料、环氧沥青混凝土等3种类型。这几种结构类型在我国很多钢桥面大桥上被大量使用。
通过实际使用效果看,浇筑式沥青混凝土和改性沥青SMA混合料两种结构类型易出现早期铺装破坏,而环氧沥青混合料配制工艺比较复杂,施工中对时间和温度的要求十分严格,施工难度大且价格高。为了变钢为混凝土层,目前工程人员研究了超高韧性混凝土(STC)材料,但是造价较高,且无工程实践。一度人们认为钢桥面铺装病害是无法有效解决的难题。
在棉花渡大桥工程使用的弹性铺装地砖材料,为钢桥面铺装提供了一种新的思路。
钢桥面弹性铺装地砖是以再生胶为原材料,以高温硫化的方式形成的一种新型桥面铺装材料,铺装后的铺装层质量不受桥址现场铺装时间和温度的影响。与传统的3种结构类型的钢桥面铺装材料相比,其具有铺装层质量稳定可靠、防滑耐磨有弹性、破损易修复、施工简便、节约场地、安全环保等显著特点,有较好的经济价值和现实意义。

棉花渡大桥跨越贵州省清水河,位于贵阳市开阳县毛云与黔南州瓮安县白沙乡交界处,为两县的渡改桥工程。桥型设计为3跨钢桁连续梁桥。大桥总长122.4m ,设计汽车荷载等级为公路- Ⅱ级。桥型布置如图1所示。

上部结构为钢桁连续梁,桥跨布置为32m+51.2m+32m=115.2m (不含桥台)。采用整幅断面,桁高 4.6m ,桥面宽7.36m ,净宽6m 。主梁通过桥面板横梁高度变化实现 1.5%的桥面横坡。

钢桁梁包括钢桁架和钢桥面板两部分。钢桁架由主桁架、横梁和抗风拉杆组成。正交异性钢桥面板由桥面板、 U型加劲肋、槽钢纵梁组成。每个标准桥面板纵向分段长9.6m ,横桥向分2个组装单元。桥面顶板采用焊接, U 肋、纵梁采用高强度螺栓连接。桥面板的钢板厚度为12mm 。桥梁横断面如图2所示。

棉花渡大桥钢桥面铺装厚度为5cm ,采用了弹性铺装地砖材料。

棉花渡大桥铺装层厚度为5cm,铺装面积为691.2m2,铺装层体积为34.56m3。
棉花渡大桥位于山区,铺装层采用热铺法施工时,从城市已经建好的拌和站运输拌和料运距较远;而如果在桥位附近建设拌和站,建站费用高,还有运输车、摊铺机等大型机械进出场费用也较高。如采用冷拌树脂混凝土,进场设备较少,但造价较高,目前一般用于修补局部损坏的钢桥面铺装。
经过现场对比,采用了弹性铺装地砖作为桥面铺装层。弹性铺装地砖为长500mm×宽500mm不使用大型机械设备,节约施工场地,保证质量,安全环保。
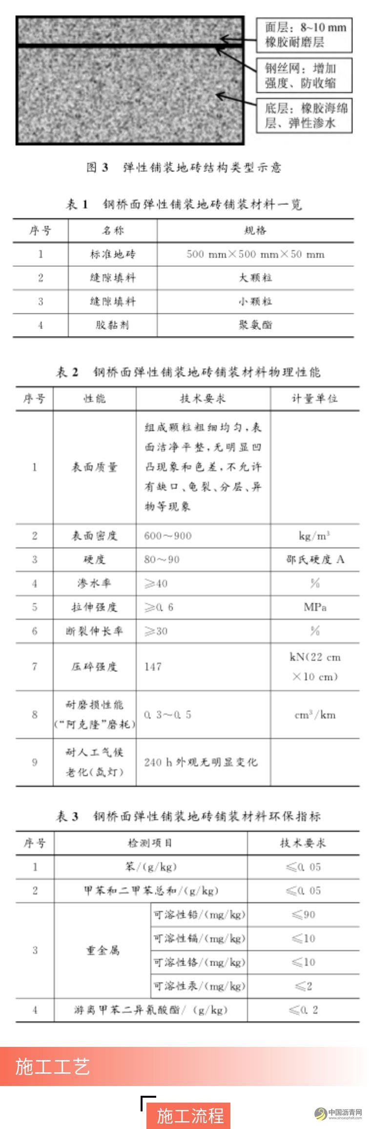
弹性铺装地砖结构如图3所示。弹性铺装地砖由两层不同材料中间夹钢丝网构成,在工厂内经高压高温预制而成,可确保产品配制工艺质量稳定如一,适用于中小型低荷载钢结构桥梁钢桥面的铺装。
弹性铺装地砖铺装材料见表1,产品物理性能见表2,产品环保指标见表3。

弹性铺装地砖铺装钢桥面的施工,是自钢桥面中部开始向外侧,采用依次错缝铺装的施工方式。其工艺流程如图4所示。

由于现场条件有限,且电力不能有效供应,需要采用发电机供电,且不能有大型用电机械。表4的设备为最低配置(含检验设备),施工时应按工艺实际情况增加设备。

(1)钢桥面铺装前处理
钢桥面铺装前处理,包括清理、除油污等。
清理:清理待铺装区域桥面所有与铺装无关的物品,清除桥面污物。可使用高压水枪、毛刷等工具对钢桥面表面进行全面清扫、冲洗。
除油污:使用毛刷等工具刷洗除油,可使用化学清洗剂彻底去除钢桥面表面的顽固油污。
(2) 钢桥面防腐处理
①防腐前检查处理。
将钢桥面表面凸出的施工焊瘤、焊疤等残留在钢板上的焊接物,用电动打磨机逐个打磨清除。打磨过程中,注意不要过多侵蚀桥面板,保证打磨后的钢板表面平整、洁净。
②除锈。
除锈可使用喷砂除锈、抛丸除锈、机械打磨除锈等多种方法。
钢桥面整体大面可采用喷砂或抛丸的方法机械除锈,除锈后的钢板表面清洁度应达到Sa2.5级,粗糙度应达到40~80μm。不适于喷砂或抛丸的少数部位可以使用机械打磨除锈,除锈后的钢板表面清洁度应达到ST3级。除锈工作如图5所示。
③底漆涂装。
钢桥面除锈处理后,必须及时用干燥、清洁的压缩空气吹净表面浮尘,并在4h内进行环氧富锌底漆的涂装。环氧富锌底漆要严格按比例配置,并在适用期内使用。底漆涂装施工中用湿膜卡检测涂层湿膜厚度应为100~140μm。涂层厚度应均匀。
④涂层固化。
底漆涂层涂装后需要12小时的固化期(在固化期内涂层不能淋雨)。涂层固化后方可进行后续施工作业。

(3) 铺装准备
①铺装区划线定位。
对待铺装地砖的桥面区域,使用弹线墨斗进行划线定位,并标注区位号码,以保证地砖铺设横平竖直,表面平整。
②铺装区域钢桥面找平定位。
使用4m钢直尺对铺装区域钢桥面找平定位,使用记号笔画出钢桥面的凸出区域及凹陷区域,并注明凸出高度或凹陷深度。
③地砖处理。
地砖处理,包括裁剪整型、除灰除油等。
裁剪整型:按照桥面划线定位区位号码及桥面平整度需求,对地砖进行裁剪整型,确保地砖铺设横平竖直,表面平整。
除灰除油:对裁剪整型后的地砖进行表面处理,除去灰尘、胶粉,并用溶剂除去表面的油脂及灰尘,再用记号笔标注桥面划线定位区位号码。
④配置胶黏剂。
按照胶黏剂使用说明书配置胶黏剂,并充分搅拌均匀。配制好的胶黏剂应在规定的适用时间内使用,超过适用时间禁止使用。
(4) 铺装作业
①涂刷胶黏剂。
使用滚筒将配制好的胶黏剂均匀涂刷在钢桥面和地砖下表面,厚度控制在0.5~1.5mm之间。
钢桥面的黏接表面和地砖的黏结表面均应干净、无油、无尘,如有污染应使用溶剂擦洗,除去油污、灰尘、晾干后再刷涂胶黏剂,如图6所示。
②黏合。
将涂刷胶黏剂后的地砖与钢桥面对位,然后使两者贴合黏结,并保证地砖与钢桥面最大限度地接触黏合。黏合作业如图7所示。
③摆放重物压实及胶黏剂固化。
黏合后摆放重物(砂袋)压实。重物(砂袋)摆放压实时间根据施工环境温度决定。待胶黏剂固化(达到最佳强度)后,方可移除重物(砂袋)。
④边角缝隙填料黏合。
地砖与地砖之间一般要求留有3~5mm的伸缩缝。在地砖与钢桥面经胶黏剂黏合固化后,对地砖与地砖之间的边角缝隙进行填料黏合。
地砖与地砖之间的伸缩缝使用灌缝胶充填。灌缝胶充填的饱和度应在80%以上(即允许低于板面1~2mm)。较宽的缝隙可使用灌缝胶粒进行辅助充填,即使用容器将灌缝胶粒与灌缝胶充分搅拌均匀,然后借助自制工具将混合物填充到缝隙中(填充时注意压实)。灌封胶作业如图8所示。
⑤大面整型。
在桥面铺装完成面积达到一定规模后,即可对铺装表面进行大面整型处理。
大面整型处理主要是对边角缝隙填料黏合后出现的高于铺装地砖表面的部分进行切削处理,以达到铺装层表面平整美观的目的。
⑥伸缩缝、路缘石、泄水孔等特殊部位处理。
伸缩缝、路缘石、泄水孔等特殊部位需要进行专项加固、黏合、整型处理。
伸缩缝部位应将地砖用角钢焊接扣住,防止被车辆碾开、剥落。地砖与角钢之间也要使用胶黏剂黏合。
路缘石、泄水孔等部位与地砖之间存在竖向缝隙,应提前对路缘石、泄水孔与地砖的竖向缝隙部位进行清洁,如除油除污等,以保证缝隙填料黏合的质量。栏杆和泄水孔处缝隙处理作业如图9所示。

(1)环境温度适应范围为10℃~40℃。
(2)环境湿度适应范围为80%以下。

(1)黏接面的质量应满足黏接标准的要求,验收合格后方可进行防滑橡胶板的铺装。
(2)生产厂家应有生产资质,铺装用材料应由厂家检验部门签发合格证后方可出厂。
(3)胶黏剂应有检验合格证方可使用。
(4)铺装后应按施工方案、标准要求进行检验。

(1)地砖与桥面要黏接牢固,剥离强度应>90N/25mm。
(2)地砖缝隙间充填灌缝胶的饱和度应在80%以上(即允许低于板面1~2mm)。
(3)地砖缝隙应横平竖直,宽度均匀一致,允许偏差为3~5mm。
(4)目测检验时应在距离3m开外处对铺装面进行检测。

①施工方便简单,不受桥面铺装施工现场条件的限制。
②铺装速度快,节约工期,较之传统的沥青混凝土桥面铺装体系,受温度限制少,无需现场拌料以及运输,节约场地;工厂生产后常规运输即可,工艺简单。
③降低施工成本,特别适用于小规模、低载荷的桥面铺装。
④工厂预制桥面铺装材料,质量控制好,环境友好,现场无污染;推广应用前景广泛,经济和社会效益明显。

棉花渡大桥桥面铺装施工期为2017年4月10日~4月30日,20d即完成了桥面铺装的施工,成桥效果如图10所示。通过桥梁荷载试验检测可知,其各项技术指标完全满足规范及设计要求。
使用实例表明,与传统类型的钢桥面铺装材料相比,其具有铺装层质量稳定可靠、防滑耐磨有弹性、破损易修复、施工简便、节约场地、安全环保等显著特点,社会效益和经济效益显著,具有广泛的应用前景,可为同类工程提供技术参考和借鉴。

预计到2025年底!河北高速公路将突破9000公里
“十四五”路网焕新!浙江加速高速公路提质增效
安徽省普通公路建设提前完成年度计划任务
总投资超百亿!甘肃两个高速公路项目开工建设
密织现代综合交通网,迈向新时代“九州通衢”!湖北交通“十四五”成绩单出炉
桥隧比82%!九绵高速主体完工,9月下旬通车!
广州这条高速将扩宽至双向十至十二车道!
沥青路面预防性养护雾封层措施应用效果对比研究
基于GA10浇筑式沥青混凝土的钢桥面铺装施工工艺优化研究
长寿命沥青路面层间剪应力控制及处治工艺
环保型高性能沥青混合料在高速公路长寿命路面中的应用与性能评估
直击现场,北京首条湖城一体赛车道即将亮相北京亦庄
商河:从交通“四无县”迈向省会北部交通新枢纽
双向六改十!这个高速改扩建项目进入施工新阶段